Manual blending Mixer Valve
What is a manual Blending valve?
A manual blending mixer valve is a device that mixes or blends hot and cold water to ensure constant, safe outlet temperatures preventing scalding. When you buy any automatic tap with 'single' supply, there’s a chance you will need a thermostatic control or a blending valve to regulate hot and cold water supply.
Autotaps manual mixer valve has manual temperature adjuster or 'knob' which by adjusting it (turning it left or right) will change the temperature of each hot and cold supply. This particular blending valve require the user to physically change the teperature as required.
PLEASE NOTE:
ABV-0012 blending valve is not automatic, and it requires the user to manually adjust the temperature by turning the knob to required or safe temperature.
Blending valve (ABV-0012)

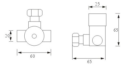
Dimension

Inlet: 1/2 Inch (Male)
Outlet: 1/2 Inch (Female)
Price: £24.99
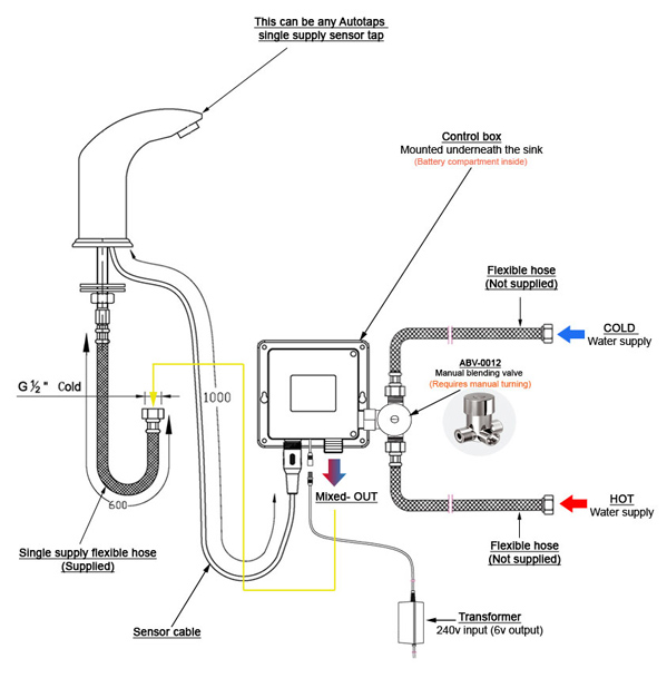
Typical installation map

Manual blending valve and control box

Check typical installation map here
What is a control box?
Manual Counter-top mixer valve (ACV-0013)

Click here for full diagram
