DIY Sensor conversion kit for manual taps

 

  • Features
  • Technical Info
  • Typical installation
  • Contents
  • Dimension
  • Temperature Control
  • Remote Control

 

Features

Easy installation and implementation
Dual solenoid valves (hot and cold connections) 
Solid-built design
Solenoid valve with high 'hot water' tolerance
Ultrasonic-sealed built-in transformer
LED light power indicator
Wall-mountable optional bracket 
Works under low water pressure
IP65 Protection
Splash-proof inner-ridge rubber seals
Inner rubber seal for higher protection from elements 
Independent battery compartment 
Durable and light outer-shell material construction 
Compatible with IRC/FRC Sensor Remote Control 
Versatile Design - Future Ready


Affordable
Save water, save energy
Up to 70% water conservtion
Portable 'wall-mountable' infra red activation component
Flexibility- You can choose any manual tap of your choice and design
Compatible with most conventional taps
Chrome-plated finish infra red component housing
Sensing distance/range adjustable
Easy wall-mountable sensor ring
AC/DC Powered


Special Notes:Water pressure:
Water pressure range: 0.25 (Min) - 8 Bar (Max) (1 bar or above for best performance)

QUICK VISUAL DATA

AC+DC Power only Double supply feed Drilling a hole? UK Plug 
This control box can be powered by both Mains (AC) and Batteries (DC)

This control box comes with double supply water feeds.
Dual solenoid valves with hot and cold connection

N/A The control box has a built-in transformer with UK plug

 


TECHNICAL DETAILS

Sensor cable length: 176cm
Sensing distance: 10-27cm (Adjustable)
Hot water tolerance: 75° (approx.)
Respond time: 1 Second
Diameter of 'inlet' pipes - Control box: G1/2”
Diameter of 'outlet' pipes - Control box: G1/2"
Water pressure range: 0.50 (Min) - 7 Bar (Max)
Voltage: DC6V or AC220V-240V (6V Output)
Battery Consumption (DC): 4xAA alkaline batteries (2 years lifespan based on 100 cycles a day)
Power consumption: =0.3mW
Silent Consumption: 0.003mW
Environment Temperature: 1-45 C
Pipe Threading: British Standard Whitworth (BSW)

Tip:
Your choice of manual tap can be any manual tap with a double (hot and cold) supply.

Note:
This sensor kit is designed for taps only and it's not waterproof.
Warranty void if used for any other installation purposes/applications other than for taps.



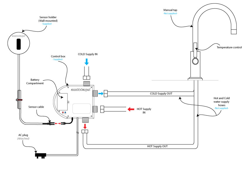
ASK-200: Typical Installation Layout & Sensor holder dimension

Converting a manual mixer tap with hot and cold supplies

ASK-200 Sensor kit installation layout

 

Sensor Holder Dimension

 

SH-212

sensor holder sh-212

 

SH-213

sensor holder SH-213

 

SH-214

sensor holder SH-214

 

 

 

 



CONTENTS

1x Infrared Sensor (Wall/Deck-mounted sensor holder of your choice: SH-212, SH-213 or SH-214)
1x Control box
1x 3-pin AC UK cable
1x Built-in Transformer
1x Control box 'wall-mounting' clip
Screws and Manual

 

Sensor Holder Dimension

 

SH-212

sensor holder sh-212

 

SH-213

sensor holder SH-213

 

SH-214

sensor holder SH-214

Features

Electronic DIY sensor kit with dual solenoid



Water pressure:

Water pressure range: 0.7 (Min) - 8 Bar (Max) (1 bar or above for best performance)

Temperature control:

To control temperature, simply use the temperature control lever on tap.

 

Typical Layout

 

ASK-200 sensor kit typical installation layout

 

NOTE:

You may require longer connection pipes/flexible hoses to reach all connection points.

 

 

SR6 sensor Remote Control

At Autotaps, we recognise that sensor taps are installed in different environment and catered for different applications. So it’s paramount for end-users to be able to customize and change settings to suit their needs. Autotaps SR6-13 6-keys remote control (sold separately) allows end-users/engineers to adjust/customize various settings relating to a ‘compatible’ sensor tap from its default factory settings. This adds added convenience and usability to give better customer experience.

Note:
Remote control is not compulsory, any of our products works straight out of the box as standard.

 

 

IRC-6.13 Infrared Sensor remote control

IRC-6.13
Infrared Sensor Remote Control

FRC-6.13 Fibre optic Sensor remote control

FRC-6.13
Fibre-optic Sensor Remote Control

 

Buy now/Check Price

 

Features Explained

Flow time increase

FLUSH/RUN Water: Flow Time Increase
When this button is pressed once, it will increase water flush/flow time by ‘5 seconds’. Each key press represents 5 seconds ‘flow time’ increment.

HOW TO: 
With remote control facing/pointing towards the sensor, press once, a solid LED light comes on first and briefly followed by 3 LED light flashes. Each key press increases water flow time by 5s. For example, press 1 time =5s, press 2 times= 10s, 3 times= 15s etc.

NOTE:
Each key press must be registered by sensor module first before setting another parameter. For example, if you want the tap to run for 10 seconds,  press this key once and let it register (which equals 5s) and press it again the second time to increase it from 5s to 10s and so on.

Flow time decrease

FLUSH/RUN Water: Flow Time Decrease
When this button is pressed once, it will decrease water flush/flow time by ‘5 seconds’. Each key press represents 5 seconds ‘flow time’ decrement.

HOW TO: 
With remote control facing/pointing towards the sensor, press once, LED light flashes 3 times. Each key press will decreases water flow time by 5s. For example, press 1 time =-5s, press 2 times= -10s, 3 times= -15s etc.

NOTE:
Each key press must be registered by sensor module first before setting another parameter. For example, if you want the flow time to be decreased by 10 seconds,  press this key once and let it register (which equals -5s) and press it again the second time to decrease it from 10s to 5s and so on.

Sensor increase

Increase Sensor Distance
This button will increase the sensor distance by/between 2-5cm.

HOW TO: 
With remote control facing/pointing towards the sensor, press once, a solid LED light comes on first and briefly followed by 3 LED light flashes. Each key press increases sensor proximity zone, and represents 2-5cm increment.

*Sensor distance range scope is around/between 7cm-35cm

Sensor decrease

Decrease Sensor Distance
This button will decrease the sensor proximity distance by/between 2-5cm.

HOW TO: 
With remote control facing/pointing towards the sensor, press once, a solid LED light comes on first and briefly followed by 2 LED light flashes. Each key press increases sensor proximity zone, and represents 2-5cm increment.

*Sensor distance range scope is around/between 7cm-35cm

Auto Search button

Auto Search
This button allows the 'automatic' settings of the sensor proximity sensor range.

HOW TO: 
With remote control facing/pointing towards the sensor, press once, a solid LED light comes on first and briefly followed by 5 LED light flashes. During these flashes, the sensor will auto-calibrate itself and adjust its infrared distance settings in accordance with environment.

This button can also be used to set the sensor distance manually.
For example, once this button is pressed, place hand/object at desired position/distance where you want sensor range to end and it will automatically calculate the distance from sensor module to hand/object.

Stand-by button

Standby
This button will put the sensor on standby or 'inactive' mode. This is particularly useful if the tap needs cleaning or simply trying to put the sensor tap 'out of action' during holiday period. When this mode is active, the sensor will not respond to any interaction with it until it's switched ON again.

HOW TO: 
With remote control facing/pointing towards the sensor, press once, LED light comes on and stays on for 2-3 seconds and then goes off, standby mode is now active.

To disable, press once, LED light comes on and stays on for 2-3 seconds ‘twice’ and then goes off. Standby mode is now disabled.

 

water on and off

 Water ON/OFF
When this button is pressed, it will open the valve and let water flow, and when it’s pressed again - the valve will close and water will stop (ON and OFF activation).
But once activated and the button is not pressed - water will continue to run for ‘120 seconds’ then it will shut OFF or close the valve automatically.

Note:
This function can be intercepted or interrupted at any time, for example; if the button is pressed and after, for example 30s, the button can be pressed to close the valve.

water on and off This button flushes the system by opening up the solenoid valve and allowing water to flow through. This operation last for or between 4-6 seconds, and it will automatically switch OFF afterwards. This option is particularly useful at hospitals/health centres where hygienic flush is regularly required.

 

 

 

Back to Product Page